







CYB13P-K卡箍式平膜压力变送器
一、产品简介
CYB13P-K卡箍式平膜压力变送器采用进口不锈钢隔离膜片的高精度力敏芯片,经激光调阻和一定的信号处理,输出工业标准的4~20mA信号。 该产品主要适合对粘稠介质压力的测量。传感器平膜结构可防止粘稠液体堵塞、结垢及不卫生等情况发生。传感器连接接口为卡箍式,安装方便,该变送器可广泛应用于医药、食品、轻纺等领域对气体、液体压力自动化测量与控制。
二、技术性能
量程范围 | -100Kpa~0~35…1000(KPa) |
0~1、2、2…6(MPa) | |
过载压力 | ≤ 额定量程的1.5倍 |
测量介质 | 与316L不锈钢兼容的各种粘稠介质 |
输出信号 | 4~20mA 二线制 |
0~5VDC 三线制 | |
供电电压 | 12~36VDC (标定值为+24VDC) |
精确度 | ±0.2%F.S ±0.3%F.S ±0.5%F.S |
长期稳定性 | ≤±0.2%F.S/年 |
介质温度 | -20~+85℃ |
响应时间 | ≤1ms |
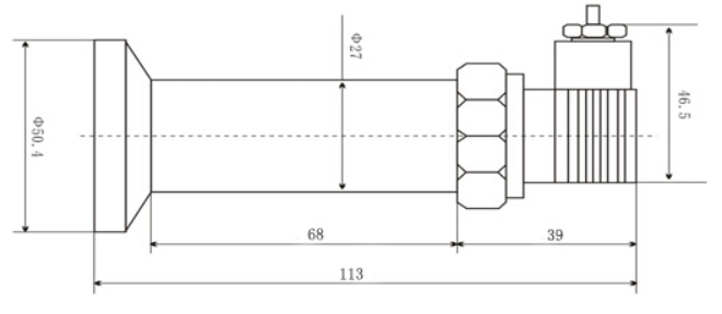
压力接口 | 卡箍式(50.4mm) |
电气接口 | 赫斯曼接头、接线端子 |
防护等级 | IP65 |
三、产品特点
●316L不锈钢隔离膜片结构
●平膜设计适合多种粘稠介质
●介质接触面积大,卡箍式连接
●过程连接与国际接轨
四、外形结构

五、产品选型
CYB13PK | 卡箍平膜型压力变送器 | ||||||
G | 表压 | ||||||
A | 绝压 | ||||||
0~X( KPa或MPa) | 量程 | ||||||
J02 | ±0.2%FS | ||||||
J03 | ±0.3%FS | ||||||
J05 | ±0.5%FS | ||||||
C1 | 4~20mA输出 | ||||||
C2 | 0~5VDC输出 | ||||||
C0 | 特殊 | ||||||
M6 | 卡箍接口 | ||||||
M0 | 特殊 | ||||||
F1 | 赫斯曼接头出线 | ||||||
F5 | 接线端子出线 | ||||||
F0 | 特殊 | ||||||