




BYW-P标准喷嘴 (ISA 1932喷嘴)
l 精度高、寿命长、耐腐蚀性能比孔板好
l 压力损失小
1. 用途及特点
标准喷嘴也称ISA-1932喷嘴,BYW-P标准喷嘴配差压仪表,用于封闭管道中高压、过热蒸汽及其它高速气体的流量测量,也适用于含有固体颗粒流体的测量。
BYW-P标准喷嘴按国标GB/T2624-93进行设计制造,按国标JJG640-94进行检定,无需实流校验。与标准孔板相比,压力损失小,耐高温、高压、性能稳定、寿命长。
2. 结构形式
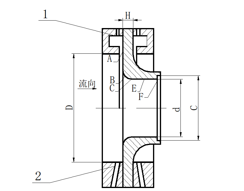
喷嘴是由垂直轴线的入口平面部分A,圆弧形曲面B和C的收缩部分和圆筒形喉部E以及为防止边缘损伤所需要的保护槽F组成。标准喷嘴结构及取压方式如下图所示

1.环室角接取压 2.单钻孔角接取压
3. 主要技术数据
3.1 测量范围
a. 公称通径范围:DN=50 mm~500mm;
b. 孔径比(β=d/D)范围:β=0.3~0.8
c. 雷诺数(ReD)范围:ReD=7×104~1×10
若0.44 ≤β≤0.8, 则2×104 ≤ReD ≤1×107
d. 公称压力(表压)PN=0.25 MPa~40MPa ;
e. 精度等级:1级 1.5级 2级
f. 材料:喷嘴:不锈钢
环室:碳钢或不锈钢(1Cr18Ni9Ti)
3.2选择原则:
a. 要求节流装置产生的压力损失较小,且流体为某些容易将节流装置弄脏、磨损和变形的脏污及浸蚀介质时,可采用标准喷嘴。
b. 喷嘴比孔板的测量精度高,要求直管段长度也短。
3.4 标准喷嘴型号表示方法: BYW-P-□□□
BYW-节流装置; P-标准喷嘴;□□□-管道通径

